ZQ减速机,ZSC减速机等规格种类多,价格低

131-7658-3123

jiuzeng machine news center

ZQ(H)系列圆柱齿轮减速机,人们通常简称之为ZQ减速机,它的型号众多,在行业里也有着不错的应用。
ZQ(H)系列圆柱齿轮减速机型号有ZQ200、ZQH200、JZQ200圆柱齿轮减速器 ZQ250 ZQH250、JZQ250圆柱齿轮减速机ZQ350、ZQH350、JZQ350 ,ZQ400、ZQH400、JZQ400,ZQ500、ZQH500、JZQ500,ZQ650、ZQH650、JZQ650,ZQ850、ZQH850、JZQ850,ZQ1000、ZQH1000、JZQ1000.ZQ型是渐开线圆柱齿轮减速机,ZQH型是圆弧圆柱齿轮减速器。
主要用于起重、矿山、通用化工、纺织、轻、工等行业,ZQ圆柱齿轮减速器适用条件如下:
减速器齿轮传动圆周速度不大于4米/秒
减速器高速轴的转速不大于1500转/分
减速器用于正反两向运转。当带逆止器时,以正对输出轴端看的方向为准。
减速器工作环境温度为-40℃到+40℃
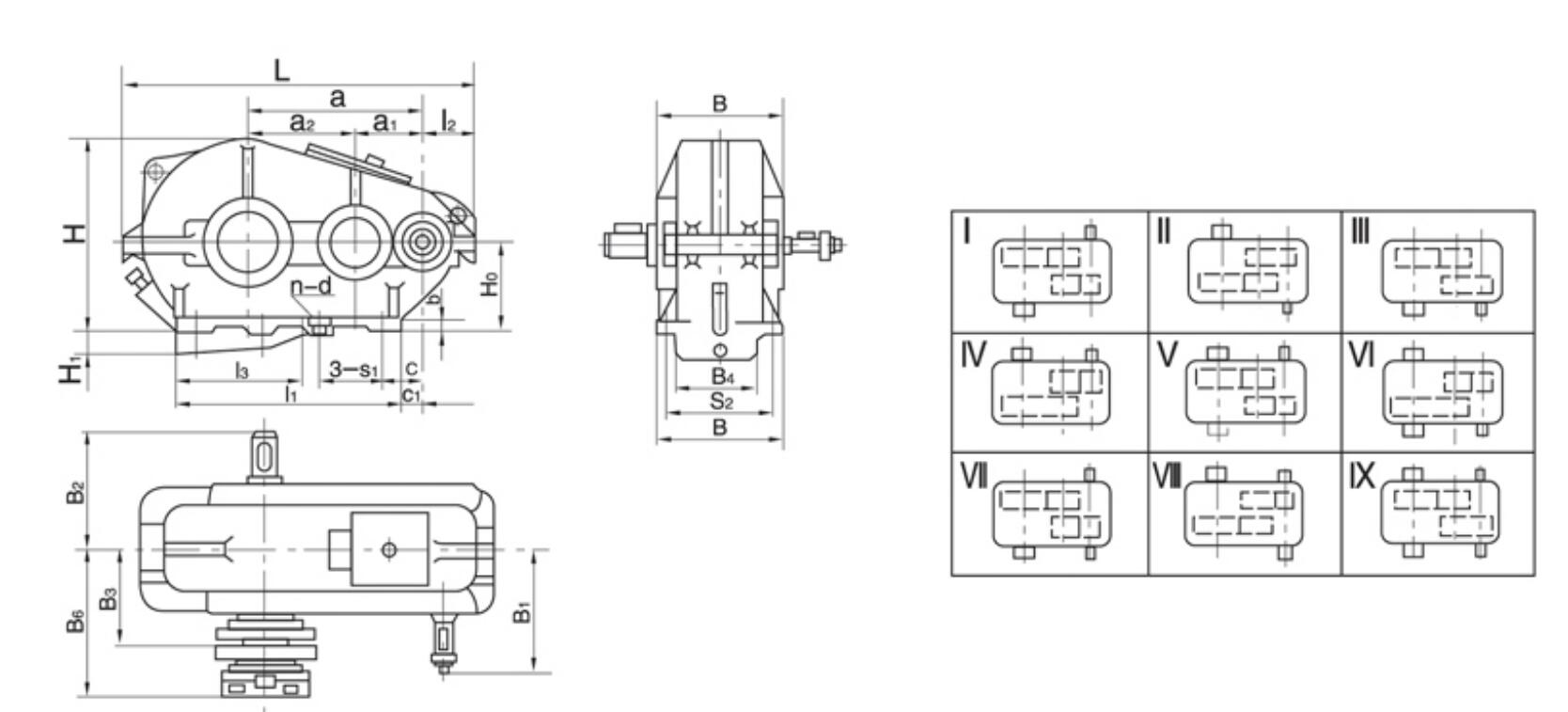
ZQ1150 ZQ1000 ZQ850 ZQ750 ZQ650 ZQ500 ZQ400 ZQ350 ZQ250 ZQ200减速机有九种传动比、九种配置型式和三种低速轴轴端型式。
ZQ减速机外形尺寸图如下所示:
硬齿面减速机厂家:快三导师带计划赚钱有限公司生产ZQ减速机、撕碎机减速机、MBY边缘传动磨机减速机、HB大功率减速机等多种型号规格减速机厂家 ©2019 Microsoft Corporation. All rights reserved.