您好欢迎访问淄博「快三导师带计划赚钱」有限公司网站!可继续浏览查看多种型号的减速机产品大全
硬齿面减速机厂家型号齐全

ZQ减速机,ZSC减速机等规格种类多,价格低

服务咨询电话

131-7658-3123

快三导师带计划赚钱 新闻中心

jiuzeng machine news center

ZQA圆柱齿轮减速机的适用条件

  ZQA圆柱齿轮减速机主要用于起重、矿山、通用化工、纺织、轻工等行业。ZQA圆柱齿轮减速机适用条件您知道都有哪些吗?
  ZQA圆柱齿轮减速机的适用条件如下:
  1、减速机齿轮传动圆周速度不大于160米/秒 ;
  2、减速机高速轴的转速不大于1500转/分 ;
  3、减速机工作环境温度为-40°至+40°;
  4、减速机用于正、反两向运转 ;
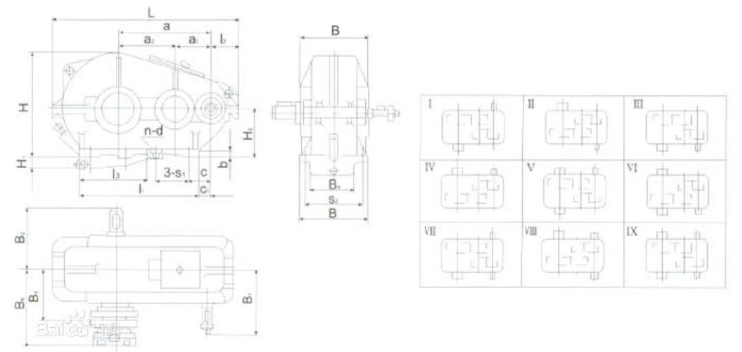
  5、本减速机有九种传动比,九种配置型式有三种低速轴轴端形式;
  6、具体传动比有:8.0、10.0、12.5、16.0、20.0、25.0、31.5、 40.0、50.0 。

  ZQA圆柱齿轮减速机外形、安装尺寸图:

ZQA圆柱齿轮减速机外形、安装尺寸图

硬齿面减速机厂家:快三导师带计划赚钱有限公司生产ZQ减速机、撕碎机减速机、MBY边缘传动磨机减速机、HB大功率减速机等多种型号规格减速机厂家  ©2019 Microsoft Corporation. All rights reserved.

鲁ICP备19024477号-1

|